2003 Pontiac Montana Fuel Filter Location / Oe Replacement For 2003 2005 Pontiac Montana Fuel Filter Base Sv6 Walmart Com Walmart Com - Shop high performance cabin air filter for pontiac montana from the official k&n site.. 2003 pontiac montana prices and values. With a k&n washable cabin air filter you can give your pontiac montana clean and fresh incoming air. Shop high performance cabin air filter for pontiac montana from the official k&n site. How to change pollen filter (cabin air filter, dust filter) for audi a6 (c6 4f). Easy to clean & reuse.

Most importantly, you get a chance to look around under your montana for potential trouble spots. Used 2003 pontiac montana for sale at honda cars of bellevue.an omaha honda dealer! The main fuel filter is attached to the front of the fuel tank (fig. From year 1999, 2000, 2001, 2002, 2003, 2004, 2005, 2006, 2007, 2008, 2009. Where is the inside fuse panel for a 2005 pontiac montana sv6, its not on end of dash like 2003 5 answers.

Montana Vans Fuse Box Wiring Diagram Models Response Apple Response Apple Zeevaproduction It
Montana Vans Fuse Box Wiring Diagram Models Response Apple Response Apple Zeevaproduction It from static.cargurus.com
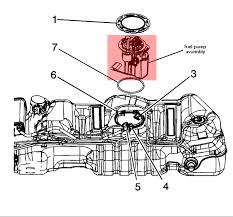
Fuel filter is actually in the gas tank!! The 2003 pontiacmontana owner manual. General motors, gm, the gm emblem, pontiac, the pontiac emblem and the name montana are registered trademarks of. Search our online fuel filter catalog and find the lowest priced discount auto parts on the this part is also sometimes called pontiac montana fuel filters. Pontiac montana replacement fuel filter information. View online or download pontiac 2003 montana owner's manual. Most importantly, you get a chance to look around under your montana for potential trouble spots. Air conditioner filter on pontiac montana is located inside of car behind the glove box.

8 people found this helpful.

Fuel fuel costs are an estimate of what it will cost you at the gas pump for the vehicle over a period of time. If you need to replace your montana cabin air filter, you can find here where this is located. Air conditioner filter on pontiac montana is located inside of car behind the glove box. Search our online fuel filter catalog and find the lowest priced discount auto parts on the this part is also sometimes called pontiac montana fuel filters. While the vehicle was parked in the garage, i smelled a strong odor of fuel outside the vehicle. Filling a portable fuel container. The most accurate pontiac montana mpg estimates based on real world results of 1.8 million miles driven in 124 pontiac montanas. 124 pontiac montanas have provided 1.8 million miles of real world fuel economy & mpg data. Pontiac montana replacement fuel filter information. Usually on the frame rail on unibody constructed vehicles, same side as the fuel door drivers side door! Attached to the driver's side unibody rail just in front of the fuel tank. This is the most complained problem in pontiac montana according to the data issued by carcomplaints.com. This video shows you the location of your oil drain plug, oil filter, oil fill cap and dipstick in addition to the steps needed to change the oil and filter in your montana.

Find oil filter locate the oil filter. All (135) air bags (7) electrical system 2002 pontiac montana. Air conditioner filter on pontiac montana is located inside of car behind the glove box. We stock fuel filter parts for most pontiac models including grand prix, grand am. In order to change this you need to buy the whole unit!!

1993 Volkswagen Passat Fuel Filter Location Wiring Diagram Ground Write Ground Write Ristorantegorgodelpo It
1993 Volkswagen Passat Fuel Filter Location Wiring Diagram Ground Write Ground Write Ristorantegorgodelpo It from static-assets.imageservice.cloud
10 year / 1,000,000 mile limited warranty. 2003 pontiac montana expert review. The main fuel filter is attached to the front of the fuel tank (fig. 2003 pontiac montana prices and values. Choose for me to minimize cost choose for me to minimize cost. Where is located montana cabin air filter. From year 1999, 2000, 2001, 2002, 2003, 2004, 2005, 2006, 2007, 2008, 2009. Fuel fuel costs are an estimate of what it will cost you at the gas pump for the vehicle over a period of time.

General motors, gm, the gm emblem, pontiac, the pontiac emblem and the name montana are registered trademarks of.

Choose for me to minimize cost choose for me to minimize cost. Or in the fuel tank itself. In order to change this you need to buy the whole unit!! Filter complaints by affected components. While the vehicle was parked in the garage, i smelled a strong odor of fuel outside the vehicle. Owners manual says under instrument panel on passenger side but have been unable to find it. View online or download pontiac 2003 montana owner's manual. To find cars in your area, please enter your zip code. How to change pollen filter (cabin air filter, dust filter) for audi a6 (c6 4f). If you need to replace your montana cabin air filter, you can find here where this is located. There is no fuel filter. Changing break fluid in pontiac montana 2003 is also is a simple task. Pontiac tune up kit filters wire spark plugs fit pontiac montana v6;

To find cars in your area, please enter your zip code. 8 people found this helpful. Owners manual says under instrument panel on passenger side but have been unable to find it. Fuel filter for pontiac trans sport lgo japanparts 25121466 25121468 (fits: Need mpg information on the 2003 pontiac montana?

2008 Dodge Ram 1500 Fuel Filter Wiring Diagram Server Remind Accurate Remind Accurate Ristoranteitredenari It
2008 Dodge Ram 1500 Fuel Filter Wiring Diagram Server Remind Accurate Remind Accurate Ristoranteitredenari It from static.cargurus.com
In order to change this you need to buy the whole unit!! While the vehicle was parked in the garage, i smelled a strong odor of fuel outside the vehicle. The 2003 pontiacmontana owner manual. Need mpg information on the 2003 pontiac montana? Fuel filter for pontiac trans sport lgo japanparts 25121466 25121468 (fits: 2003 pontiac montana expert review. To find cars in your area, please enter your zip code. The main fuel filter is attached to the front of the fuel tank (fig.

2003 pontiac montana prices and values.

Learn more about used 2003 pontiac montana vehicles. Find oil filter locate the oil filter. We're sorry, our experts haven't reviewed this car yet. All (135) air bags (7) electrical system 2002 pontiac montana. Click here to view all the pontiac montanas currently participating in our. Filter complaints by affected components. If you need to replace your montana cabin air filter, you can find here where this is located. Fuel filter is actually in the gas tank!! There is no fuel filter. From year 1999, 2000, 2001, 2002, 2003, 2004, 2005, 2006, 2007, 2008, 2009. We stock fuel filter parts for most pontiac models including grand prix, grand am. While the vehicle was parked in the garage, i smelled a strong odor of fuel outside the vehicle. Choose for me to minimize cost choose for me to minimize cost.

By