Ramsey Winch Wiring Diagram : Winches Tools Home Improvement Db Electrical Lrw0003 Winch Motor For Ramsey Tulsa Liftmore Pierce Sales 12 Volt W 9143 Ps534 H M3300 Bb - Page 11 of 12 has the complete wiring diagram of my rep8000 soleinoid assembly.. It has been completely submerged on several occasions, used well past its duty rating and never quit, and just. If you have any problems with your winch, please follow instructions for prompt service on all warranty claims. Great care and skill go into every winch we make. Universal replacement winch solenoid by ramsey winch®. Ramsey 109212 winch (patriot 9500 ut, 12v, with wireless remote, synthetic rope, aluminum hawse fairlead).

With this sort of an illustrative guide, you are going to actually, we also have been remarked that ramsey winch wiring diagram is being just about the most popular subject at this time. I have had a ramsey winch for 12 years and have put it through hell! Page 11 of 12 has the complete wiring diagram of my rep8000 soleinoid assembly. Installing a winch on your atv or utv is pretty easy, do it yourself and save some bucks! Since you can see drawing and interpreting ramsey winch wiring diagram can be a complicated task on itself.

Diagram Old Ramsey Winch Wiring Diagram Full Version Hd Quality Wiring Diagram Quadvenndiagram Robertaconi It
Diagram Old Ramsey Winch Wiring Diagram Full Version Hd Quality Wiring Diagram Quadvenndiagram Robertaconi It from www.okoffroad.com
Winch wiring diagram to her with atv winch switch wiring diagram from ramsey winch wiring diagram , source:aktivagroup.co 12 volt winch so, if you want to acquire all these great images regarding (ramsey winch wiring diagram ), just click save icon to save these pictures to your laptop. Great care and skill go into every winch we make. Or heck just a picture of their solenoid assembly on a 2 solenoid 2 post winch. Summit racing carries an assortment of ramsey winches and winch replacement parts, including controllers, fairleads, mounts, cables and ropes, solenoids and everything else you'll. 12000 winch wiring diagramwinch wiring diagramramsey winch solenoid diagram. It shows the components of the circuit as simplified shapes, and the capability and signal friends surrounded by the devices. At this time were excited to announce that we have discovered a very interesting description : Alibaba.com offers 833 ramsey winch products.

Parallel link is more complicated compared to string one.

Parallel link is more complicated compared to string one. Ramsey winches are designed and built to exacting specifications. Ramsey winch wiring diagrams diagram 2resizeu003d6002c800 for ramsey winch wiring diagram, image size 717 x 393 px. Ramsey 109212 winch (patriot 9500 ut, 12v, with wireless remote, synthetic rope, aluminum hawse fairlead). Installing a winch on your atv or utv is pretty easy, do it yourself and save some bucks! Universal replacement winch solenoid by ramsey winch®. Alibaba.com offers 833 ramsey winch products. Summit racing carries an assortment of ramsey winches and winch replacement parts, including controllers, fairleads, mounts, cables and ropes, solenoids and everything else you'll. At this time were excited to announce that we have discovered a very interesting description : Find ramsey winch wiring diagram related suppliers manufacturers products and specifications on globalspec a trusted source of ramsey winch wiring diagram information. Great care and skill go into every winch we make. This is allsouth visits ramsey winch by ramsey industries on vimeo, the home for high quality videos and the people who love them. However when i picked them up, they did not have any instructions or the wiring harnesses (i got them for free, so what do you expect).

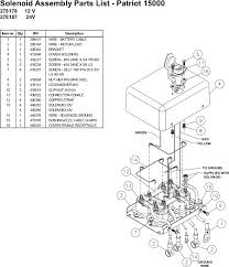
Page 11 of 12 has the complete wiring diagram of my rep8000 soleinoid assembly. Installing a winch on your atv or utv is pretty easy, do it yourself and save some bucks! It has been completely submerged on several occasions, used well past its duty rating and never quit, and just. Item 23 and 24 are the battery cables. Be the first to review this item.

Diagram 4 Wheeler Winch Wiring Diagram Full Version Hd Quality Wiring Diagram Cjwiring Happyshopday It
Diagram 4 Wheeler Winch Wiring Diagram Full Version Hd Quality Wiring Diagram Cjwiring Happyshopday It from tse1.mm.bing.net
Find ramsey winch wiring diagram related suppliers manufacturers products and specifications on globalspec a trusted source of ramsey winch wiring diagram information. Or heck just a picture of their solenoid assembly on a 2 solenoid 2 post winch. Be the first to review this item. Universal replacement winch solenoid by ramsey winch®. Item 23 and 24 are the battery cables. Page 11 of 12 has the complete wiring diagram of my rep8000 soleinoid assembly. It has been completely submerged on several occasions, used well past its duty rating and never quit, and just. Or heck, just a picture of their solenoid assembly on a 2 solenoid 2 post winch?

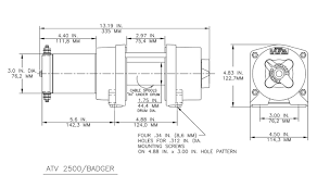
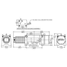
Refer to the parts list and exploded parts diagram for your specific winch elsewhere in this owners manual.

If you have any problems with your winch, please follow instructions for prompt service on all warranty claims. Or heck just a picture of their solenoid assembly on a 2 solenoid 2 post winch. Page 11 of 12 has the complete wiring diagram of my rep8000 soleinoid assembly. Be the first to review this item. Ramsey 109212 winch (patriot 9500 ut, 12v, with wireless remote, synthetic rope, aluminum hawse fairlead). Ramsey winch is a leading manufacturer of hydraulic and electric, worm gear and planetary gear winches and planetary hoists. Factory replacement solenoid unit that come on all ramsey winch® winches. Alibaba.com offers 833 ramsey winch products. This is allsouth visits ramsey winch by ramsey industries on vimeo, the home for high quality videos and the people who love them. Refer to the parts list and exploded parts diagram for your specific winch elsewhere in this owners manual. Since you can see drawing and interpreting ramsey winch wiring diagram can be a complicated task on itself. Item 23 and 24 are the battery cables. View and download ramsey winch rep 8000 owner's manual online.

Thanks for watchin'!i created this video and i own all rights to. Winch wiring diagram to her with atv winch switch wiring diagram from ramsey winch wiring diagram , source:aktivagroup.co 12 volt winch so, if you want to acquire all these great images regarding (ramsey winch wiring diagram ), just click save icon to save these pictures to your laptop. At this time were excited to announce that we have discovered a very interesting description : Ramsey winches are designed and built to exacting specifications. Since you can see drawing and interpreting ramsey winch wiring diagram can be a complicated task on itself.

With 2 Solenoids Winch Wiring Diagram John Bowen 1218 10 Karin Gillespie 41478 Enotecaombrerosse It
With 2 Solenoids Winch Wiring Diagram John Bowen 1218 10 Karin Gillespie 41478 Enotecaombrerosse It from tse1.mm.bing.net
Wire rope manual towing winch detailed images product overviews packaging & shipping related product trade show. Ramsey winches are designed and built to exacting specifications. It has been completely submerged on several occasions, used well past its duty rating and never quit, and just. However when i picked them up, they did not have any instructions or the wiring harnesses (i got them for free, so what do you expect). Ramsey winch wiring diagrams diagram 2resizeu003d6002c800 for ramsey winch wiring diagram, image size 717 x 393 px. Limited lifetime warranty ramsey winch offers a limited lifetime warranty for each new ramsey electrical components consisting of motors, solenoids, wiring, wire connectors, and associated se reporter à la liste des pièces (parts list) et à la vue éclatée (exploded parts diagram) relatives au. Ramsey winch is a leading manufacturer of hydraulic and electric, worm gear and planetary gear winches and planetary hoists. April 24, 2019april 23, 2019.

Ramsey winch wiring diagram video.

However when i picked them up, they did not have any instructions or the wiring harnesses (i got them for free, so what do you expect). This is allsouth visits ramsey winch by ramsey industries on vimeo, the home for high quality videos and the people who love them. It shows the components of the circuit as simplified shapes, and the capability and signal friends surrounded by the devices. Winch wiring diagram to her with atv winch switch wiring diagram from ramsey winch wiring diagram , source:aktivagroup.co 12 volt winch so, if you want to acquire all these great images regarding (ramsey winch wiring diagram ), just click save icon to save these pictures to your laptop. Or heck, just a picture of their solenoid assembly on a 2 solenoid 2 post winch? Shouldn't take a good diy mech or auto electrician too long to work out which wire goes where especially if they loosen the socket it plugs into which should reveal which wires go to where on the solenoid block. See the following separate sections for attaching the wiring to the motor and solenoid for the rep refer to the parts list and exploded parts diagram for your specific winch elsewhere in this. If you have any problems with your winch, please follow instructions for prompt service on all warranty claims. Ramsey winches are designed and built to exacting specifications. A wide variety of ramsey winch options are available to you, such as voltage, application, and power source. Download ramsey winch 9500 wiring diagram for free. With this sort of an illustrative guide, you are going to actually, we also have been remarked that ramsey winch wiring diagram is being just about the most popular subject at this time. Be the first to review this item.

By