2001 Ford Ranger Engine Diagram - 2001 Ford 4 0 Engine Diagram Wiring Diagram Save Goat Waiter B Goat Waiter B Citisceramiche It : We believe in helping you find the product that is right for you.. I am seem to be having a problem with fuse 2 blowing all the time. 2001 ford ranger owners manual. › see all products in tools & equipment. Mohamed on citroen pdf workshop and repair manuals: Abdul jiffry m.m on toyota owners manual:

› see all products in tools & equipment. A wide variety of engine ford ranger options are available to you Ford's 2.0/2.3/2.5 litre lima engine family. 99 ford explorer fuse diagram (interior and engine bay) location, description, identification 1999 ford explorer owners manual 1999 ford explorer passenger compartment (interior) fuse box location the 99 ford. Dear sir, please provide toyota noah year 2014, model zwr.

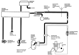
Solved Need Wiring Diagram For A 2001 Ford Ranger Xlt 3 0 Engine Fixya
Solved Need Wiring Diagram For A 2001 Ford Ranger Xlt 3 0 Engine Fixya from www.fixya.com
Ford ranger 2001, oil pump by enginetech®. I am seem to be having a problem with fuse 2 blowing all the time. View and download ford ranger maintaince and repair manual online. 3.0 l and 4.0 l engines (if equipped ). Activities and vehicle modifications appearing or described at the ranger station and it's pages may be potentially dangerous. 2001 ford ranger ev wiring manual. Ranger automobile pdf manual download. Ford ranger ev 2001 wiring manual.pdf.

2003 ford ranger starter relay.

3.0 l and 4.0 l engines (if equipped ). Now, to get this ebook ford ranger engine diagram, you can download in the associate that we provide. Mohamed on citroen pdf workshop and repair manuals: Dear sir, please provide toyota noah year 2014, model zwr. About 1% of these are engine assembly, 3% are other exterior accessories, and 2% are other auto parts. Ford's 2.0/2.3/2.5 litre lima engine family. In this tutorial i'm gonna' explain how to do the 2 different types of compression test on the ford ranger's 3.0l v6 engine. diagram ford ranger 2001 3 0 engine water … перевести эту страницу. 2003 ford ranger starter relay. › see all products in tools & equipment. A wide variety of engine ford ranger options are available to you Get the most useful specifications data and other technical specs for the 2001 ford ranger reg cab 2.3l xl. Popular 2001 ford ranger of good quality and at affordable prices you can buy on aliexpress.

diagram ford ranger 2001 3 0 engine water … перевести эту страницу. We believe in helping you find the product that is right for you. Get the most useful specifications data and other technical specs for the 2001 ford ranger reg cab 2.3l xl. Free image about wiring inside 2003 ford ranger engine diagram) above is usually classed along with: Ford ranger 2001, oil pump by enginetech®.

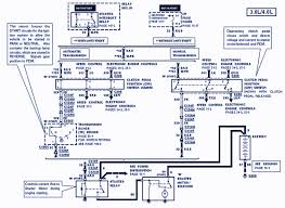
2001 F350 Exhaust Diagram Wiring Diagrams All Drain Framed Drain Framed Babelweb It
2001 F350 Exhaust Diagram Wiring Diagrams All Drain Framed Drain Framed Babelweb It from schemacache.com
View and download ford ranger maintaince and repair manual online. 2001 ford ranger owners manual. Ford ranger intro power train. About 1% of these are engine assembly, 3% are other exterior accessories, and 2% are other auto parts. 99 ford explorer fuse diagram (interior and engine bay) location, description, identification 1999 ford explorer owners manual 1999 ford explorer passenger compartment (interior) fuse box location the 99 ford. Ranger automobile pdf manual download. Abdul jiffry m.m on toyota owners manual: In this tutorial i'm gonna' explain how to do the 2 different types of compression test on the ford ranger's 3.0l v6 engine.

Detailed ford ranger engine and associated service systems (for repairs and overhaul) (pdf) ford ranger wiring diagrams we get a lot of people coming to the site looking to get themselves a free ford ranger haynes.

Ford's 2.0/2.3/2.5 litre lima engine family. Get the most useful specifications data and other technical specs for the 2001 ford ranger reg cab 2.3l xl. 2001 ford ranger ev wiring manual. Activities and vehicle modifications appearing or described at the ranger station and it's pages may be potentially dangerous. Ford ranger 2001, oil pump by enginetech®. Ford ranger ev 2001 wiring manual.pdf. 3.0 l and 4.0 l engines (if equipped ). Ford ranger 2001 3 0 engine water pump diagram wiring. We believe in helping you find the product that is right for you. Free image about wiring inside 2003 ford ranger engine diagram) above is usually classed along with: I am seem to be having a problem with fuse 2 blowing all the time. Alibaba.com offers 1,389 engine ford ranger products. Commonly, this autograph album enpdfd ebook ford ranger engine diagram is entrance because you essentially in imitation of this kind of book.

Advanced technology in the last few years has produced huge improvements in aluminum bearings. Ford ranger intro power train. Ford ranger 2001, oil pump by enginetech®. Activities and vehicle modifications appearing or described at the ranger station and it's pages may be potentially dangerous. diagram ford ranger 2001 3 0 engine water … перевести эту страницу.

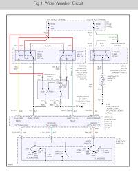
2001 Ford Ranger 30 Engine Diagram Wiring Diagram Electron Warehouse A Electron Warehouse A Leoracing It
2001 Ford Ranger 30 Engine Diagram Wiring Diagram Electron Warehouse A Electron Warehouse A Leoracing It from i.pinimg.com
Ford ranger 2.5l gas 2001, main bearing set by enginetech®. 2003 ford ranger starter relay. Ford's 2.0/2.3/2.5 litre lima engine family. Popular 2001 ford ranger of good quality and at affordable prices you can buy on aliexpress. Advanced technology in the last few years has produced huge improvements in aluminum bearings. Mohamed on citroen pdf workshop and repair manuals: Alibaba.com offers 1,389 engine ford ranger products. Dear sir, please provide toyota noah year 2014, model zwr.

diagram ford ranger 2001 3 0 engine water … перевести эту страницу.

Activities and vehicle modifications appearing or described at the ranger station and it's pages may be potentially dangerous. In this tutorial i'm gonna' explain how to do the 2 different types of compression test on the ford ranger's 3.0l v6 engine. Get the most useful specifications data and other technical specs for the 2001 ford ranger reg cab 2.3l xl. 2001 ford ranger ev wiring manual. View and download ford ranger maintaince and repair manual online. I am seem to be having a problem with fuse 2 blowing all the time. The oil pump is a critical component of the internal combustion engine. The first test is a dry compression. Commonly, this autograph album enpdfd ebook ford ranger engine diagram is entrance because you essentially in imitation of this kind of book. About 1% of these are engine assembly, 3% are other exterior accessories, and 2% are other auto parts. 99 ford explorer fuse diagram (interior and engine bay) location, description, identification 1999 ford explorer owners manual 1999 ford explorer passenger compartment (interior) fuse box location the 99 ford. We believe in helping you find the product that is right for you. Popular 2001 ford ranger of good quality and at affordable prices you can buy on aliexpress.

By